POCETNA STRANA

Seminarski i Diplomski Rad
 
SEMINARSKI RAD IZ ELEKTRONIKE / ELEKTROTEHNIKE
 
OSTALI SEMINARSKI RADOVI IZ ELEKTRONIKE / ELEKTROTEHNIKE
Diode-seminarski rad
Primenjena elektronika-seminarski rad
Gledaj Filmove Online  

 

 

 

 

 

 

 

Snimanje prenosne karakteristike tranzistora

Oblast elektronike se bavi proučavanjem i konstrukcijem elektronskih elemenata kojima se kontroliše tok struje i povezivanjem takvih elemenata u složena kola koja obavljaju željenu funkciju. Osnovni elementi savremene elektronike su diode i tranzistori koji se povezuju u diskretna ili integrisana kola.
Tranzistori su aktivni poluvodički elementi, u pravilu s tri elektrode, a pretežno se upotrebljavaju kao pojačala ili elektroničke sklopke. Njegov naziv dolazi od Transfer Resistor (prijenosni otpornik), a može biti bipolaran ako korisnu struju kroz njega čine i manjinski i većinski nositelji naboja ili unipolaran ako je struja posljedica djelovanja većinskih nosilaca.

Bipolarni tranzistori nazivaju se još i spojni (eng. junction), a mogu biti PNP ili NPN tipa.

Unipolarni tranzistori još se nazivaju i tranzistori s efektom polja (eng. Field Effect Transistor), a postoje dva osnovna kontrukcijska oblika: spojni tranzistori s efektom polja (Junction Field Effect Tranzistor) i metal oksidni poluvodički tranzistor s efektom polja (Metal Oxide Semiconductor Field Effect Tranzistor) ili skraćeno FET i MOSFET. Bipolarni i unipolarni tranzistori imaju sličnu temeljnu poluvodičku strukturu, ali su bitno različiti u načinu upravljanja izlaznom strujom.

KARAKTERISTIKE TRANZISTORA

Tranzistor je nelinearni element, čije su karakteristike ne mogu vjerno izraziti jednačinama, mada se pomoću njih rješavaju mnoga tranzistorska kola. Osobine tranzistora se mogu znatno vjernije sagledati iz njegovih grafičkih karakteristika, koje se dobijajaju mjerenjem.
Kod tranzistora je u principu potrebno poznavati ulazne, prenosne i izlazne karakteristike. Ulazne karakteristike predstavljaju medjusobnu zavisnost, izmedju ulaznih veličina uz uticaj ostalih veličina tranzistora. Obično se za vrijeme snimanja ulazne karakteristike ostale veličine održavaju konstantnim. Na primjer, kod snimanja zavisnosti ulazne stuje od ulaznog napona, izlazni napon se održava konstantnim: tada se kaze da je izlazni napon parameter.
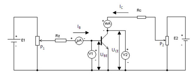
Kolo za snimanje svih karakteristika tranzistora u spoju sa zajedničkim emitorom je prikazan na slici 1. U ovom kolu za snimanje karakteristika tranzistora koristi se dva izvora: EB za polarizaciju baze i Ec za polarizaciju

Kolo za snimanje svih karakteristika tranzistora u spoju sa zajednickim emitorom
Slika 1.

kolektora, mada se može koristiti i jedan izvor za obje polarizacije. Otpornici Rb i Rc služe za ograničenje struje kod pogrešnog uključivanja: na ovaj način se spriječava uništenje tranzistora ili instrumenata kod nepravilnog rukovanja. I ovje treba posebno napomenuti da je najpovoljnije upotrebljavati digitalne multimetre, mada mogu da se upotrijebe i analogni elektronski voltmetri sa velikom ulaznom otpornošću (na primjer 10MΩ). Pomoću mikroampermetra, µA, voltermetra V1 i voltimetra V2 snimaju se ulazne karakteristike IB=f(UBE) za napon UCE konstantan, odnosno gdje je UCE parametar. Pomoću mikroampermetra µA i milimetra mA snimaju se prenosne karakteristike Ic=f(IB) za napon UCE konstantan. Pomoću mirkoampermetra µA, miliampermetra mA i voltimetra V2 snimaju se izlazne karakteristike Ic=f(UCE) za konstantnu struju IB.

KARAKTERISTIKE BIPOLARNIH TRANZISTORA

Promatrajući tranzistor kao četveropol i parametre koji utiču na njegov rad mogu se postaviti četiri vrste karakteristika: ulazna, izlazna, prijenosna i povratna. Kao što je poznato tranzistor se može spojiti u tri osnovna spoja: zajedničkog emitera, zajedničke baze i zajedničkog kolektora. Za upotrebu tranzistora kao pojačala najčešće se koristi spoj zajedničkog emitera, a za određivanje karakteristika tranzistora u tom spoju koristi se strujni krug prikazan slikom 2.

Strujni krug za određivanje karakteristika tranzistora u spoju zajedničkog emitera
Slika 2: Strujni krug za određivanje karakteristika tranzistora u spoju zajedničkog emitera

Za određivanje ulazne karakteristike tranzistora posmatra se kako ulazna struja IB ovisi o ulaznom naponu UBE, pri konstantnom izlaznom naponu UCE. Ova karakteristika obja.njava kako će se opteretiti izvor signala, ako se spoji na ulazni krug. Ovisnost ulazne struje IB o ulaznom naponu UBE prikazan je ulaznom karakteristikom na slici 3.

Zavisnost struje

Slika 3: Zavisnost struje IB=f(UBE) uz UCE=const. (ulazna karakteristika)

  ULAZNE I IZLAZNE KARAKTERISTIKE TRANZISTORA

Ulazna karakteristika tranzistora je zavisnost:

iB = f1 (VBE),

pri čemu je napon  VCE parametar. Ova zavisnost ima eksponencijalni karakter.

Izlazna karakteristika tranzistora je zavisnost:

ic = f3 (VCE),

pri čemu je struja baze iB parametar.

Karakteristika prenosa tranzistora je zavisnost:

ic = f2 (VBE),

pri čemu je napon VCE parametar. Ova zavisnost ima eksponencijalni karakter.

Ove karakteristike se daju u katalozima i koriste se u procesu projektovanja.

SNIMANJE PRENOSNIH KARAKTERISTIKA BIPOLARNIH TRANZISTORA

Pribor:

  1. Maketa za snimanje karakteristika bipolarnih tranzistora
  2. Dva voltmetra za jednosmjerni napon
  3. Miliampermetar za jednosmjernu struju
  4. Mikroampermetar za jednosmjernu struju

Zadatak:

  1. Povezati elemente prema slici 4.
  2. Snimiti zavisnost od kolektorske strujne baze uz konstantan napon izmedju kolektora I emitora prema tabeli 1.

Tabela 4.

 

Ib(µA)

0

5

10

15

20

25

30

Uce=2V

Ic(mA)

 

 

 

 

 

 

 

Uce=10V

Ic(mA)

 

 

 

 

 

 

 

SNIMANJE ULAZNE KARAKTERISTIKE TRANZISTORA

 Prilikom snimanja ulaznih karakteristika za konstantan napon UCE pomoću potenciometra P1 se mijenja napon u tački broj 1. A sa njim napon UBE I struja baze IB tranzistora. Struja baze IB se očitava na mikrometru µA, a napon izmedju baze I emitora na digitalnom voltmetru V1. Otpornik RB se postavlja da spriječi pregorjevanje tranzistora prilikom pogrešnog pomijeranja dizača na potenciometru P1, aRc za greške na P2. Napon UBE treba poništavati u skokovima na oko 100mV.Dobijena karakteristika je slična karakteristici diode u propusnom smjeru, što se vidi na slici 5. Za drugi napon UCE dobija se druga karakteristika, koja se vrlo malo razlikuje od prethodne, slika 6. Ako se snimanje obavi za više napona UCE dobija se familija karakteristika: u tim karakteristikama napon UCE je parameter, vidimo da je karakteristika za viši napon UCE pomerena udesno I da se isti napon UBE dobije manja struja IB. Ova pojava se najprostije objašnjava na sledeći način: povećani napon UCE ,,preotima” elektrone od baze, pa ih nešto manje ide u bazu, a više u kolektor.



Slika 5.                                           Slika 6.

 SNIMANJE PRENOSNE KARAKTERISTIKE TRANZISTORA

Češće se daju povratno prenosne karakteristike Ic=f(UBE) koje su prikazane na slici 7. I koje su slične karakteristikama IB= f(UBE), odnosno podjela na vertikalnoj osi u približnoj h21E puta veća. Ovdje se kod povišenja napona UCE struja kolektora malo povećava.
Znatno češće se daje karakteristika koja pokazuje kako se koeficijent jednosmjernog strujnog pojačanja h21E mijenja sa promjenom kolektorske struje. Primjer takve karakteristike je prikazana na slici 8. Kolektor i emitor tranzistora mogu da zamijene mjesta, pa se opet dobije transistor koji ima znatno lošije karakteristike: dobije se manji koeficijent strujnog pojačanja jer je područje kolektora manje dopirano kod emitora pa je manja količina elektrona koji krenu u bazu: dobije se manji probojni napon jer je područje emitora veoma dopirano I tada se dolazi kod Cenerovog proboja, koji u ovom slučaju oko 6V, što je znatno manje nego kod normalnih tranzistora.

 Ic=f(IB)UCE=const.         Ic(mA)

Slika 7.                                     Slika 8.

ZAKLJUČAK

Prvi tranzistor su napravili Vilijam Šokli, Džon Bardin i Valter Bretejn 22. decembra 1947. godine u Belovim laboratorijama. Šokli, Bardin i Bretejn su dobili Nobelovu nagradu za svoj izum "za njihova istraživanja poluprovodnika i otkriće tranzistorskog efekta".
Prije pronalaska bipolarnog tranzistora koristile su se elektronske cijevi koje su imale bitne nedostatke (cijena, potrošnja energije, dimenzije...) ali i prednosti (cijevi se i danas ponekad koriste za posebne namjene zbog manje osetljivosti na nuklearno zračenje, velike snage, i kao elementi u audiofilskim analognim pojačalima...). Najbliži ekvivalent tranzistoru je bila elektronska cev - trioda.
Tranzistor se smatra za jedan od najvećih izuma u istoriji čovečanstva. Tu se takođe nalaze i štampa, kompas, časovnik, optičko sočivo, parna mašina,motor sa unutrašnjim sagorevanjem, telegraf, telefon i mikroprocesor. On je sastavni deo skoro svih današnjih električnih uređaja gdje igra ključnu ulogu aktivne komponente. Danas se tranzistori proizvode u ogromnim količinama u visoko automatizovanim procesima po niskim cenama. Niska cenatranzistora i univerzalna primenljivost ga čini skoro idealnim gradivnim elementom svakog elektronskog kola.

LITERATURA

  1. Ratko Opačić – Elektronika – Beograd.
  2. Sejfudin Agić - TELEKOMUNIKACIJE III, 2009 za 3. razred elektrotehničke škole, 2009
  3. Amir Halep – Škola Elektronike - 2006
  4. www.wikipedia.org

PROČITAJ / PREUZMI I DRUGE SEMINARSKE RADOVE IZ OBLASTI:
ASTRONOMIJA | BANKARSTVO I MONETARNA EKONOMIJA | BIOLOGIJA | EKONOMIJA | ELEKTRONIKA | ELEKTRONSKO POSLOVANJE | EKOLOGIJA - EKOLOŠKI MENADŽMENT | FILOZOFIJA | FINANSIJE |  FINANSIJSKA TRŽIŠTA I BERZANSKI    MENADŽMENT | FINANSIJSKI MENADŽMENT | FISKALNA EKONOMIJA | FIZIKA | GEOGRAFIJA | INFORMACIONI SISTEMI | INFORMATIKA | INTERNET - WEB | ISTORIJA | JAVNE FINANSIJE | KOMUNIKOLOGIJA - KOMUNIKACIJE | KRIMINOLOGIJA | KNJIŽEVNOST I JEZIK | LOGISTIKA | LOGOPEDIJA | LJUDSKI RESURSI | MAKROEKONOMIJA | MARKETING | MATEMATIKA | MEDICINA | MEDJUNARODNA EKONOMIJA | MENADŽMENT | MIKROEKONOMIJA | MULTIMEDIJA | ODNOSI SA JAVNOŠĆU |  OPERATIVNI I STRATEGIJSKI    MENADŽMENT | OSNOVI MENADŽMENTA | OSNOVI EKONOMIJE | OSIGURANJE | PARAPSIHOLOGIJA | PEDAGOGIJA | POLITIČKE NAUKE | POLJOPRIVREDA | POSLOVNA EKONOMIJA | POSLOVNA ETIKA | PRAVO | PRAVO EVROPSKE UNIJE | PREDUZETNIŠTVO | PRIVREDNI SISTEMI | PROIZVODNI I USLUŽNI MENADŽMENT | PROGRAMIRANJE | PSIHOLOGIJA | PSIHIJATRIJA / PSIHOPATOLOGIJA | RAČUNOVODSTVO | RELIGIJA | SOCIOLOGIJA |  SPOLJNOTRGOVINSKO I DEVIZNO POSLOVANJE | SPORT - MENADŽMENT U SPORTU | STATISTIKA | TEHNOLOŠKI SISTEMI | TURIZMOLOGIJA | UPRAVLJANJE KVALITETOM | UPRAVLJANJE PROMENAMA | VETERINA | ŽURNALISTIKA - NOVINARSTVO

Seminarski i Diplomski Rad

  preuzmi seminarski rad u wordu » » »

Besplatni Seminarski Radovi